HRN-54N įtampos kontrolės relė 3F+N
Aprašymas
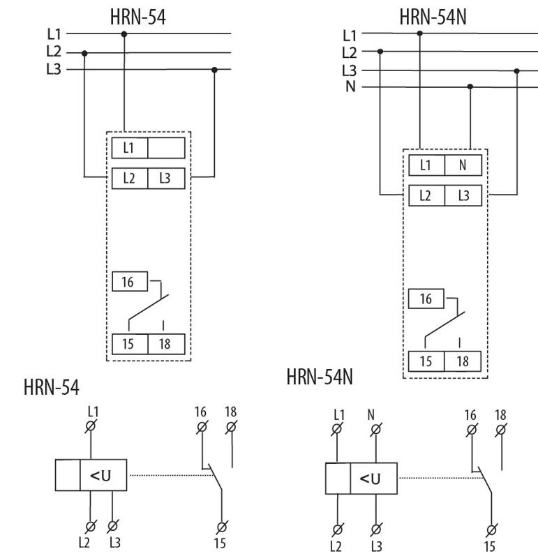
Kategorija: Įtampos stebėjimo rėlė (indikatorius) HRN-54, HRN-54N;
Deklaracija: ČIA (spausti nuorodą);
Aprašymo schema: ČIA (spausti nuorodą);
Instrukcija: ČIA (spausti nuorodą);
Jungimas: ČIA (spausti nuorodą);
Charakteristika: ČIA (spausti nuorodą);
Specifikacija
| Techniniai parametrai | |
| Gamintojo kodas 1 | 3838895423935 |
| Gamintojo kodas 2 | 02471412 |
























































































































